Olietryks-indikator i blok, Fordson Dexta, Bukh og David-Brown. Gevind 1/8RG= Øca10mm MFA9063 På lager 150,00 DKK MERE INFO
Olietryks-indikator til motorblok, Fordson. Gevind 1/4RG svarer til Ø13mm +/- 0,5mm MFA7058 På lager 150,00 DKK MERE INFO
Olietryks-indikator til motorblok, Gevind 3/8UNF svarer til Ø9mm +/- 0,5mm MFA7058A På lager 150,00 DKK MERE INFO
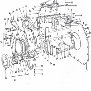
Split-tegning, Forværk/blok, Dexta-diesel SPLIT-TEGNING 019A På lager Del-nr fra Splittegning indgår i vare-nr. som tallet FØR bindestregen; f.ex.: MF825403/12-1104. Tallet EFTER bindestregen refererer til tegnings-nr. MERE INFO
Værkstedsmanual, Perkins AD3.152 i MF135, MF550 og i Volvo 400 og Volvo430. Engelsk-sproget. PE3.152-V-GB På lager 400,00 DKK MERE INFO
Paksnor med papirpakning, Perkins A3-144, A3-152 samt AD3-152 MFA7057-1 På lager 150,00 DKK MERE INFO