FORTØJ & STYRETØJ
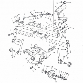
Da MF135 blev lanceret i efteråret 1964, kørte man videre med fortøjet, som var opgraderet i sommeren 1994 på model MF35X og MF35K. Spindler er af en type med støvskjold, og de øvrige komponenter er identiske med omtalte fortøj fra MF35X og 35K.
Navene er med isatte bolte og med løse møtrikker, akkurat som på MF35X. Fra serienr. 113859 bliver navet erstattet af en type med 6 stk gevindhuller, således at hjulet nu er monteret med bolte med konushoved.
MF135 får fra serie-nr. 140128 et nykonstrueret forbrosystem kaldet "lige forbro". Her er forbro af en mere moderne kasse-profil og radius-stængerne er droppet. Spindler, bøsninger og tryklejer er de samme, men der er andre typer styrekugler og vippebolt, konsol og spindelholdere og midtstykke.
Ved serie-nr 148525 kunne MF135 leveres med fabriksmonteret Servostyring, med 2 små cylindre monteret bagpå forbro.
Brugt Forhjulsmøtrik, NV27mm, til Ferguson, MF35, MF65 samt MF65 og flere.
MF195490M
På lager
20,00 DKK