BRÆNDSTOFSYSTEM & FILTRE
Husk at jeg anbefaler at køre på ren dieselolie, kaldet Off-Road-diesel, medmindre du kan tanke med farvet Landbrugsdiesel... Bio-diesel fra alle tankstationer kan ikke holde sig i mere end 3 måneder, så starter forrådnelses-processen, og der dannes vand og rust og grønt slam i filtre og pumper... Er skaden sket, at der er påtanket Bio-diesel, så tilsæt mit Diesel-Cure til bio-dieselen og kør med det på tanken... så kan det køre fint igen.
Split-tegning, Dexta/Super-Dexta gashåndtag+tilbehør
SPLIT-TEGNING 041
På lager
Del-nr fra Splittegning indgår i vare-nr. som tallet FØR bindestregen; f.ex.: MF825403/12-1104. Tallet EFTER bindestregen refererer til tegnings-nr.
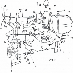
Split-tegning, Dexta Dieselsystem. Wacuum-reguleret.
SPLIT-TEGNING 037-W
På lager
Del-nr fra Splittegning indgår i vare-nr. som tallet FØR bindestregen; f.ex.: MF825403/12-1104. Tallet EFTER bindestregen refererer til tegnings-nr.
TOPKVALITET: Fødepumpe med pakning, Fordson Dexta diesel. Tung model i letmetal-legering..!
MFA5407FD
På lager
625,00 DKK
350,00 DKK
Dieselfilter-indsats, Ø20mm midthul. Fordson Dexta og Major+Power- og Super-Major
MF41846FM
På lager
125,00 DKK
200,00 DKK
Split-tegning, Super-Dexta Dieselsystem
SPLIT-TEGNING 037-M
På lager
Del-nr fra Splittegning indgår i vare-nr. som tallet FØR bindestregen; f.ex.: MF825403/12-1104. Tallet EFTER bindestregen refererer til tegnings-nr.
TOPKVALITET: Fødepumpe, Fordson Super-Dexta diesel. Tung model i letmetal-legering..!
MFA5407
På lager
650,00 DKK
Dieselfilter, komplet med indsatsfilter. Fordson Super-Dexta, Major , Power-Major og Super-Major
MF890971F
På lager
400,00 DKK
Diesel-konserveringsmiddel/additiv-mix. Til 400ltr diesel. Undgå dyre problemer og beskyt systemet
MFWCURE
På lager
350,00 DKK
Skift af dysespids, samt justering af tryk. Arbejds-løn! Fordson, Perkins- og Standard diesel
MF62851SK
Sendes fra mit lager indenfor få dage
450,00 DKK
10,00 DKK
250,00 DKK