250,00 DKK
TOPSTYKKE & KØLING. PERKINS
Køler+tilbehør, Dexta/Super-Dexta diesel
SPLIT-TEGNING 035
På lager
Del-nr fra Splittegning indgår i vare-nr. som tallet FØR bindestregen; f.ex.: MF825403/12-1104. Tallet EFTER bindestregen refererer til tegnings-nr.
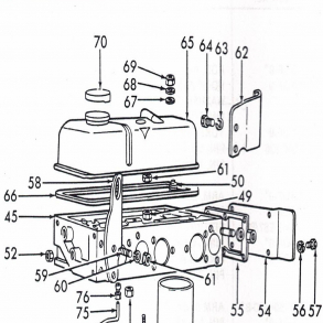
Vandpumpe+tilbehør. Dexta/Super-Dexta diesel
SPLIT-TEGNING 036
På lager
Del-nr fra Splittegning indgår i vare-nr. som tallet FØR bindestregen; f.ex.: MF825403/12-1104. Tallet EFTER bindestregen refererer til tegnings-nr.
Termostat, 88gr. Ferguson, MF, Fordson, IH, og andre med Ø53mm termostat.
MF828139/03-54
Ikke på lager
100,00 DKK
Topstykke+tilbehør, Fordson Dexta diesel
SPLIT-TEGNING 019B
På lager
Del-nr fra Splittegning indgår i vare-nr. som tallet FØR bindestregen; f.ex.: MF825403/12-1104. Tallet EFTER bindestregen refererer til tegnings-nr.
Flydende pakning til kobber-pakninger, samt papirpakninger. Tube med 85gr.
MF1861117
På lager
275,00 DKK
Topstykke m. støttebolte v. manifold+forkamre! MF35/3-cyl. Fordson Dexta/Super-Dexta, samt Volvo320
MFA7069
Ikke på lager
3.600,00 DKK