Kølertætner, HP fra Würth. Til alle typer kølesystemer. Rækker til max 10Ltr. MFA944 På lager 250,00 DKK MERE INFO
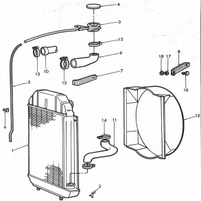
Køler+tilbehør, Dexta/Super-Dexta diesel SPLIT-TEGNING 035 På lager Del-nr fra Splittegning indgår i vare-nr. som tallet FØR bindestregen; f.ex.: MF825403/12-1104. Tallet EFTER bindestregen refererer til tegnings-nr. MERE INFO
Styrekugle-manchet til bageste kugle på Ferguson. Ø38mm/Ø17mm MF41390/02-34 På lager 75,00 DKK MERE INFO
Styrekugle-manchet til forreste kugle på Ferguson. Ø38mm/Ø14mm MF41391/08-34 Ikke på lager 50,00 DKK MERE INFO