Liftpumpe-repsæt med messingglidere, MF135-165-175-178-185-188 med MK II-system. Mest gængse type...
MF2621
På lager
1.800,00 DKK
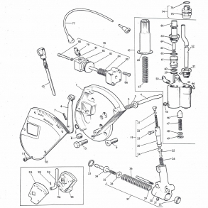
MF165 og MF175 kunne fra ny leveres med et Normal-Duty trepunktsophæng og efter ønske med et Heavy-Duty system med kraftige arme og Ø25mm løftespindelgevind... De fleste er med sidstnævnte, men der er absolut også mange med det spinkle ND-trepunktsophæng, hvor gevindspindler kun er Ø19mm... Men alt andet er det samme: Liftdæksel, cylinder, håndtag, pumpe etc...
MF2621
På lager
1.800,00 DKK
MF180924/06-1713
På lager
400,00 DKK
MF181993/15-1713
På lager
600,00 DKK
MF1000251/17-1713
På lager
50,00 DKK
MF897493/22-1713
På lager
50,00 DKK
MF897492/21-1713
På lager
300,00 DKK
MF888702/39-1713
På lager
500,00 DKK
MF897487/40-1713
På lager
500,00 DKK
MF353431/44-1713
På lager
30,00 DKK
MF897599/99-1713
På lager
75,00 DKK
MF1861510/101-1713
På lager
75,00 DKK
MF828927/104-1713
På lager
250,00 DKK
MF883402/104-1713
På lager
250,00 DKK
MF185551/91-1713
På lager
150,00 DKK
SPLIT-TEGNING 1123
På lager
Del-nr fra Splittegning indgår i vare-nr. som tallet FØR bindestregen; f.ex.: MF825403/12-1104. Tallet EFTER bindestregen refererer til tegnings-nr.
MF1884877/01-1123
På lager
800,00 DKK
MF1665962/12-1123
På lager
100,00 DKK
MF898288/41-1123
Ikke på lager
1.500,00 DKK
MF193181/80-1126
På lager
350,00 DKK
MF61609/105-1126
Ikke på lager
650,00 DKK
MF1861968/35til46-4626
På lager
300,00 DKK
MF1660373/96-4626
På lager
1.100,00 DKK
MF193181/101-4626
På lager
350,00 DKK
MF181345/105-4626
På lager
100,00 DKK
MF1662382/106-4626
På lager
125,00 DKK