LIFT & TREPUNKTSOPHÆNG
MF135 starter i produktion efteråret 1964 med stel-nr. 101. Ved nr. 33580 ændres løftearmsaksel til type med kun een bolt i enderne. Hydraulisk trykrør er glat indtil serie-nr 79480, hvor typen med den firkantede klods lanceres. Dette gør at liftdæksel SKAL afmonteres, hvis røret skal have nye O-ringe. Inden liftdæksel løftes op, SKAL højre sidedæksel afmonteres, og den lille rulle mellem armene nede fra kontrolventilen skal også afmonteres... Ved dette serie-nr bliver selve "Belastnings-ventilen" også opgraderet til en type der ikke kan leveres længere...
Topstangskontrolfjeder-arr. Komplet sæt som foto! Til MF35-65 samt større modeller med denne gaffel.
MF898135/44-1124
På lager
900,00 DKK
Topstangs-gaffel til dybdeautomatik, MF35-MF65 samt MF135 og nyere modeller med denne gaffeltype.
MF180973/45-1124
På lager
300,00 DKK
Kontrolfjeder-gaffel til aksel, MF35-MF65-MF135. Passer med gaffel MF180973
MF180972/47-1124
På lager
300,00 DKK
Topstangsgaffel-bøsnings-sæt, MF35 og opad... Til gaffel MF180973
MF180974/48-1124
På lager
75,00 DKK
Kontrolfjeder-gummimanchet, MF35, 65, 135, 165, 175 og mange flere.
MF887654/50-1024
På lager
50,00 DKK
Kontrolfjeder-aksel med Ø47,5mm hoved. Til MF35-MF65 og 100serie op til foråret 1968.
MF182580/55-1124
På lager
175,00 DKK
Kontrolfjeder-aksel med Ø45mm hoved. Til MF fra foråret 1968 og frem
MF886348/55-1124
På lager
125,00 DKK
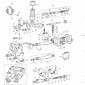
MF135-MF165-MF175-MF178; løftearmsaksel+arme+liftcylinder+dybdeautomatik+tilbehør
SPLIT-TEGNING 1125
På lager
Del-nr fra Splittegning indgår i vare-nr. som tallet FØR bindestregen; f.ex.: MF825403/12-1104. Tallet EFTER bindestregen refererer til tegnings-nr.
Løftearmsaksel, MF135-MF165-MF175. Type med een bolt i hver ende
MF897567/01-1125
På lager
750,00 DKK
Løftearmsaksel-bøsning, MF135-MF165-MF175-MF178-MF185-MF188 etc.
MF897574/04-1125
På lager
75,00 DKK
Løftearmsaksel-endeplade med 2 bolthuller. MF100serie af 1. årsproduktion.
MF180917/04-1125
På lager
50,00 DKK
Brugt Løfteaksel-endebolte-sæt, 2 bolte i pose. Til gl. type aksel med 2 bolthuller i hver ende.
MF353558/09-1125
På lager
25,00 DKK
Løftearmsaksel-endeplade med 1 bolthul. MF100-serie fra 1966 og frem.
MF897580/10-1125
På lager
30,00 DKK
Løftestempel uden ringe, MF135-165-MF240-MF550 med Ø79,4mm cylinder
MF899595/21-1125
På lager
450,00 DKK
Løftecylinder-Stempelrings-sæt, MF135 og MF165-MF240-MF550 med Ø79,4mm cylinder
MF897564/22-1125
På lager
150,00 DKK
Løftecylinder-støttebolt, lang type bagerst-monteret. MF135 og frem. Ø14,3mm X 101,6mm
MF899257/24-1125
På lager
125,00 DKK
Løftecylinder-støttebolt, kort type forrest-monteret. MF135 og frem. Ø14,3mm X 76mm
MF899258/25-1125
På lager
125,00 DKK
25,00 DKK
Brugt Montageplade-konsol med 2 stk bolte+skiver til montering i cylinder. MF135 og frem
MF898118/33-1125
På lager
500,00 DKK
Brugt Bolt og gaffelstykke. Til ventilbetjenings-arm, MK II-lift
MF353530/38-1125
På lager
250,00 DKK
Brugt dybdeautomatiks-arrangement, med fjedrer og arm. MF135-178
MF886048/56-1125
På lager
650,00 DKK
Trykfjeder til dybdeautomatik- og responsekontrol-arme, MF135-178
MF898127/54-1125
På lager
60,00 DKK
Brugt Gaffelhoved med låseblik og pløk med split, til pressurecontrol-stilleskrue, MF135-178
MF884561/87-1125
På lager
150,00 DKK
MF135-MF165-MF175-MF178; liftpumpe tidlig type/MKII. +enkeltdele
SPLIT-TEGNING 1713
På lager
Del-nr fra Splittegning indgår i vare-nr. som tallet FØR bindestregen; f.ex.: MF825403/12-1104. Tallet EFTER bindestregen refererer til tegnings-nr.