TOPSTYKKE & KØLING
MF135, vippetøj+dæksel+tilbehør
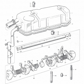
SPLIT-TEGNING135vippet
På lager
Del-nr fra Splittegning indgår i vare-nr. som tallet FØR bindestregen; f.ex.: MF825403/12-1104. Tallet EFTER bindestregen refererer til tegnings-nr.
Forvarmespiral med Ø22,2mm gevind og stikterminal. Nyere Perkins-motorer samt Ford
MF2666108
På lager
250,00 DKK