Forhjuls-fælg, til 6.00-16 dæk. Fordson, MF, IH, Ford, Ferguson MFA2162 På lager 700,00 DKK MERE INFO
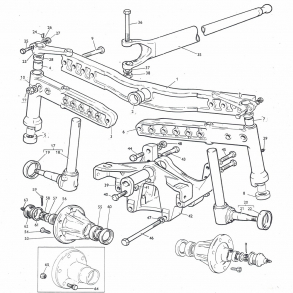
MF35 og MF135 med buet forbro: Spindler+lejer+nav+konsol etc. SPLIT-TEGNING 1096 På lager Del-nr fra Splittegning indgår i vare-nr. som tallet FØR bindestregen; f.ex.: MF825403/12-1104. Tallet EFTER bindestregen refererer til tegnings-nr. MERE INFO
Brugt Forbro-midterdel i OK stand, MF35 og MF135 med buet forbro. MF183219/01-1096 På lager 1.000,00 DKK MERE INFO
Forbro-vippebøsning, kort type til MF35 samt MF135 med buet forbro MF182850/02-1096 På lager 60,00 DKK MERE INFO
Forhjuls-spindel, Højre. Fordson Dexta/Super-Dexta. Ø32/Ø34X273mm MF41237 På lager 650,00 DKK MERE INFO
Forhjuls-nav med bolte+møtrikker, Dexta/Super-Dexta og Ford2000-3000-2600-3600 MFA5198A På lager 600,00 DKK MERE INFO